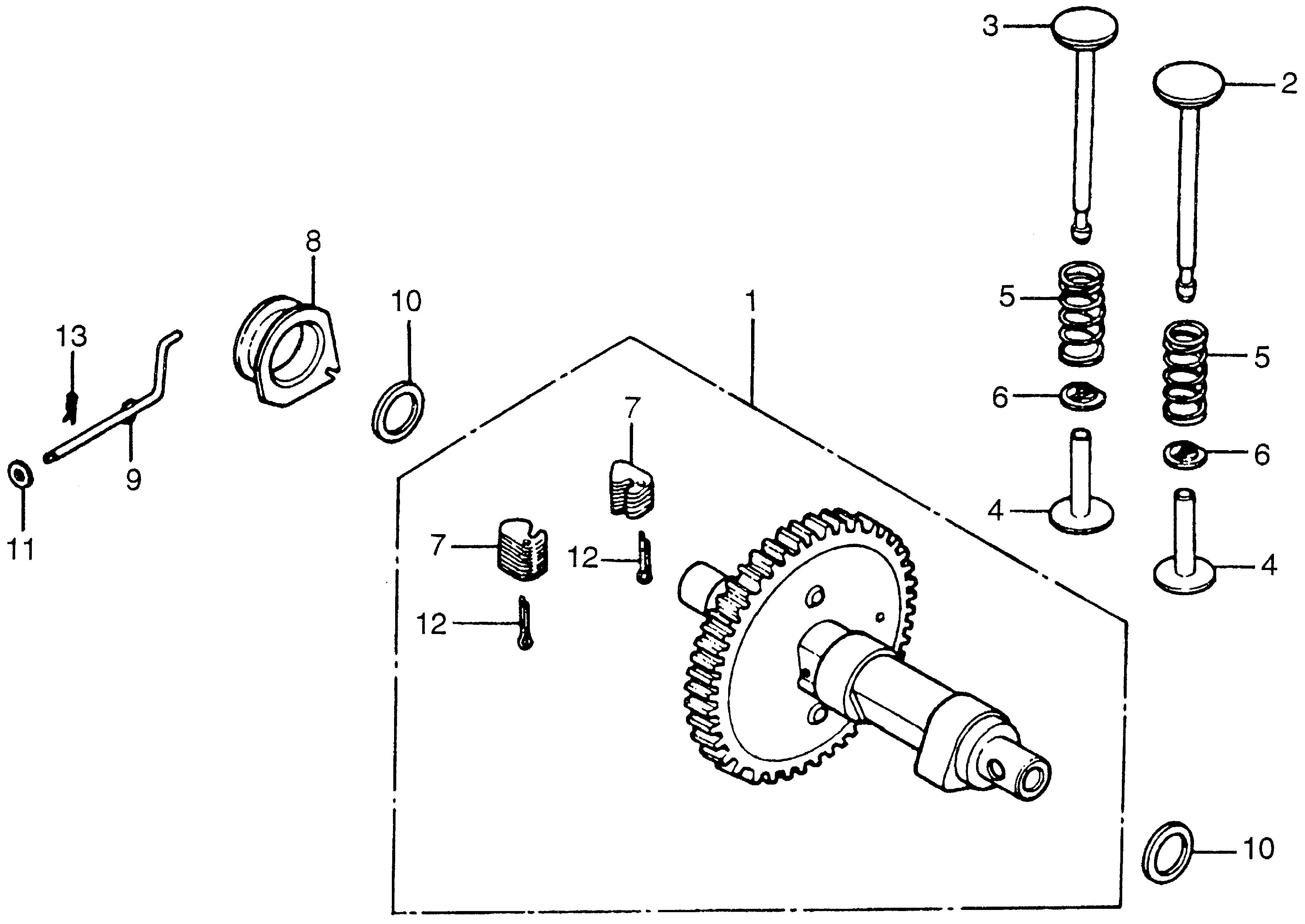
Generators ED ED1000 ED1000 A G200-1000001-9999999 CAMSHAFT@VALVES - N B Sales & Service

Ref No
Part Number
Description
Serial Range
Qty
Price

Ref No
1
Part Number
14110-883-020
Description
CAMSHAFT ASSY.
Serial Range
1000001 - 9999999
Qty
Price
$263.42

Ref No
2
Part Number
14711-883-000
Description
VALVE, IN.
Serial Range
1000001 - 9999999
Qty
Price
$33.42

Ref No
3
Part Number
14721-883-000
Description
VALVE, EX.
Serial Range
1000001 - 9999999
Qty
Price
$36.54

Ref No
4
Part Number
14736-883-010
Description
LIFTER, VALVE (39.6MM)
Serial Range
1000001 - 9999999
Qty
Price
$19.18

Ref No
4
Part Number
14746-883-010
Description
LIFTER, VALVE (39.9MM)
Serial Range
1000001 - 9999999
Qty
Price
$19.18

Ref No
5
Part Number
14751-883-000
Description
SPRING, VALVE
Serial Range
1000001 - 9999999
Qty
Price
$5.88

Ref No
6
Part Number
14771-883-305
Description
RETAINER, VALVE SPRING
Serial Range
1000001 - 9999999
Qty
Price
$13.44

Ref No
7
Part Number
16511-883-300
Description
WEIGHT, GOVERNOR
Serial Range
1000001 - 9999999
Qty
Price
$2.30

Ref No
8
Part Number
16531-883-010
Description
SLIDER, GOVERNOR
Serial Range
1000001 - 9999999

Ref No
9
Part Number
16541-883-000
Description
SHAFT, GOVERNOR ARM
Serial Range
1000001 - 9999999

Ref No
10
Part Number
90452-883-000
Description
WASHER, THRUST (18MM)
Serial Range
1000001 - 9999999
Qty
Price
$3.14

Ref No
11
Part Number
94101-05000
Description
WASHER, PLAIN (5MM)
Serial Range
1000001 - 9999999
Qty
Price
$1.20

Ref No
12
Part Number
94201-30450
Description
PIN, SPLIT (3.0X45)
Serial Range
1000001 - 9999999
Qty
Price
$1.26

Ref No
13
Part Number
94251-08000
Description
PIN, LOCK (8MM)
Serial Range
1000001 - 9999999
Qty
Price
$1.50