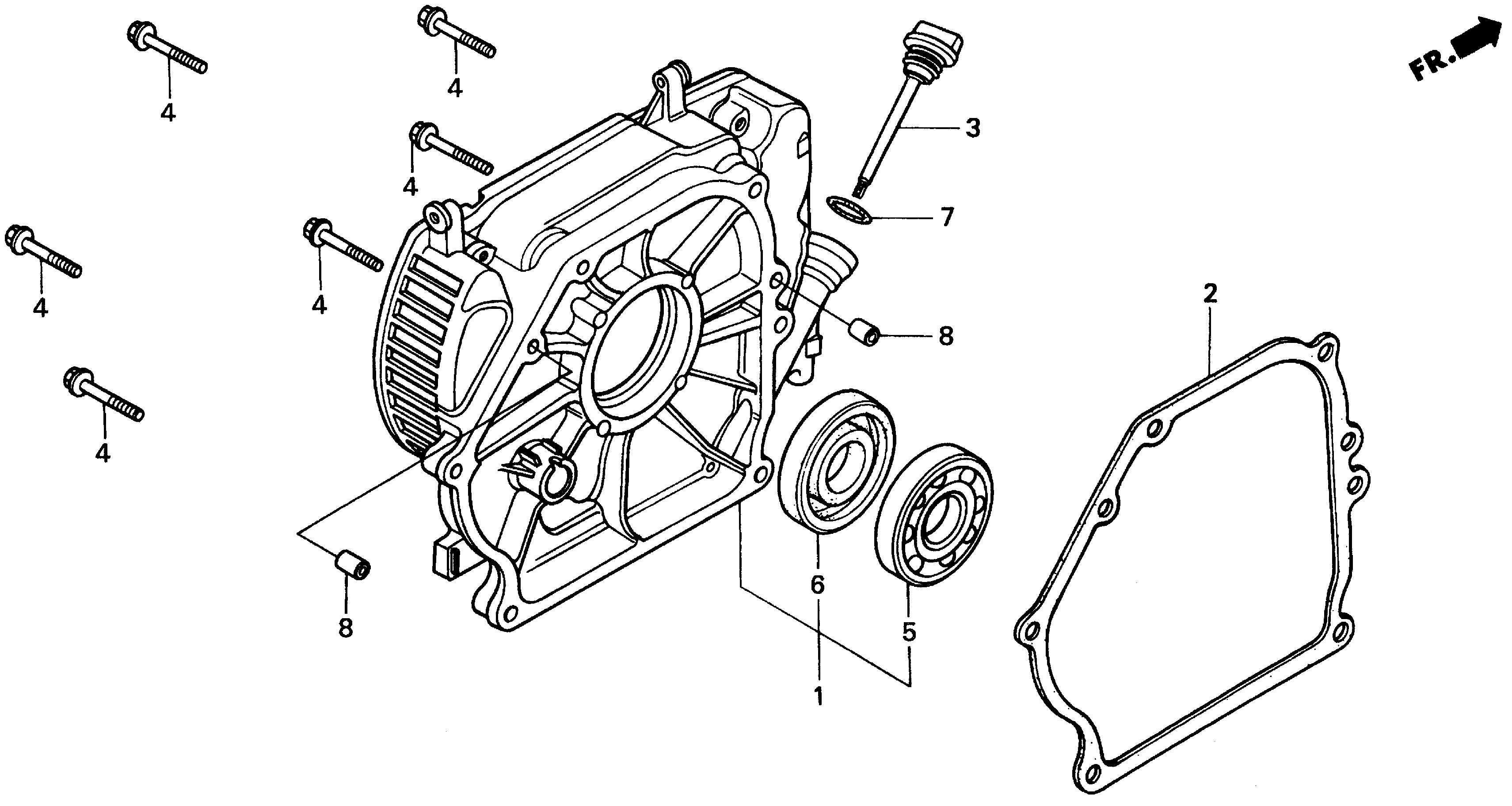
Generators EZ EZ1400 EZ1400 A EZEY-1000001-9999999 CRANKCASE COVER - N B Sales & Service

Ref No
Part Number
Description
Serial Range
Qty
Price

Ref No
1
Part Number
11300-ZB0-020
Description
COVER ASSY., CRANKCASE
Serial Range
1000001 - 9999999

Ref No
2
Part Number
11381-ZB0-800
Description
GASKET, CASE COVER (NOT AVAILABLE)
Serial Range
1000001 - 9999999

Ref No
3
Part Number
15620-ZB2-000
Description
CAP, OIL FILLER
Serial Range
1000001 - 9999999
Qty
Price
$13.56

Ref No
4
Part Number
90015-883-000
Description
BOLT, FLANGE (6X28) (CT200)
Serial Range
1000001 - 9999999
Qty
Price
$3.52

Ref No
5
Part Number
91001-878-003
Description
BEARING, RADIAL BALL
Serial Range
1000001 - 9999999
Qty
Price
$36.78

Ref No
6
Part Number
91202-ZE6-013
Description
OIL SEAL (22X35X6)
Serial Range
1000001 - 9999999
Qty
Price
$9.74

Ref No
7
Part Number
91303-800-000
Description
O-RING (16MM)
Serial Range
1000001 - 9999999

Ref No
8
Part Number
94301-08140
Description
PIN, DOWEL (8X14)
Serial Range
1000001 - 9999999
Qty
Price
$2.74