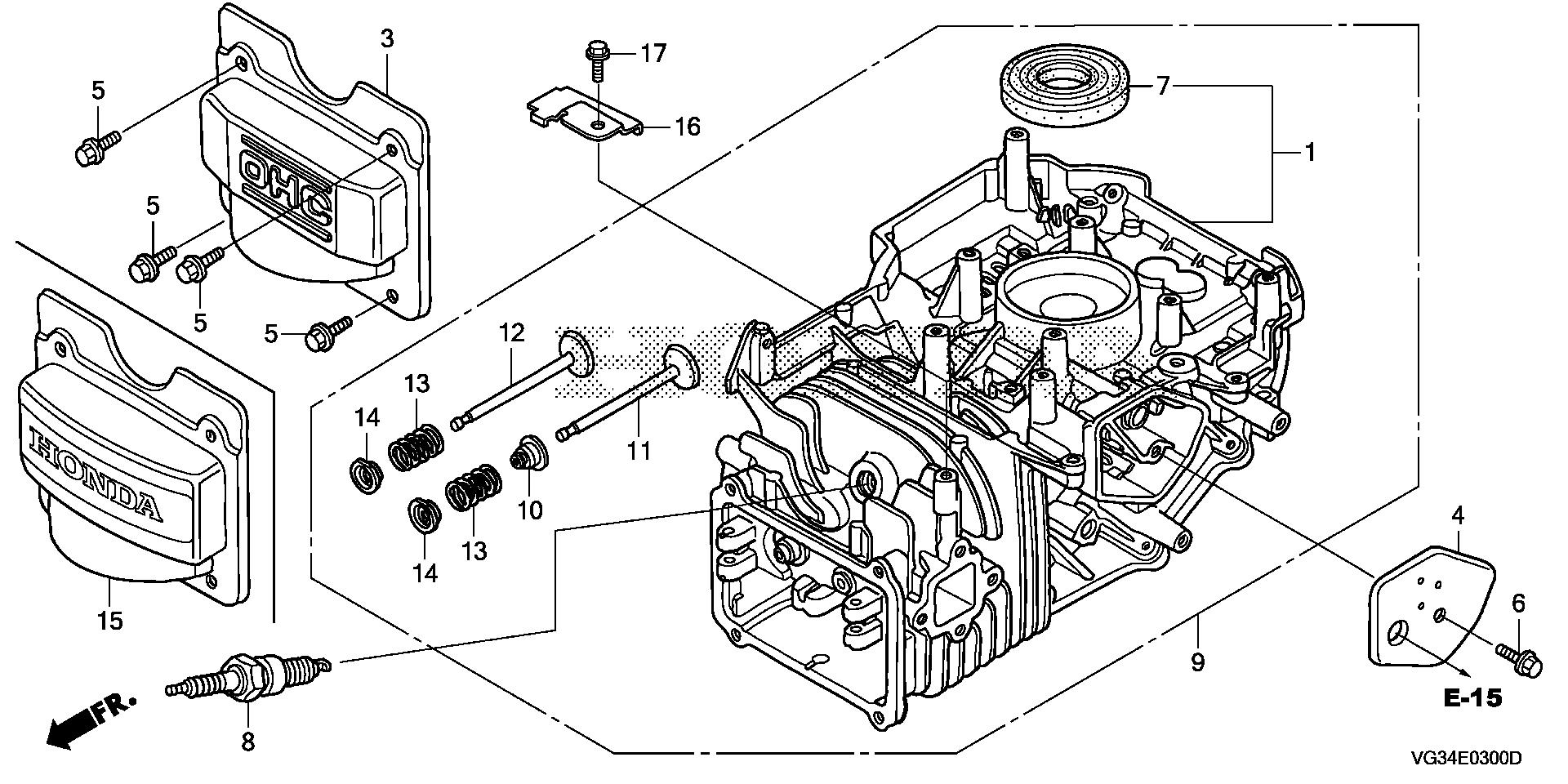
Lawn Mowers HRS HRS216 HRS216 PDA MZBZ-6000001-6099999 CYLINDER BARREL - N B Sales & Service

Ref No
Part Number
Description
Serial Range
Qty
Price

Ref No
1
Part Number
12000-Z8B-000
Description
CYLINDER ASSY.
Serial Range
1000001 - 9999999
Qty
Price
$83.44

Ref No
1
Part Number
12000-Z8B-000
Description
CYLINDER ASSY.
Serial Range
1000001 - 9999999
Qty
Price
$83.44

Ref No
3
Part Number
12310-Z0J-000
Description
COVER, CYLINDER HEAD
Serial Range
1000001 - 9999999

Ref No
3
Part Number
12310-Z8A-000
Description
COVER, CYLINDER HEAD
Serial Range
1677022 - 9999999
Qty
Price
$35.78

Ref No
4
Part Number
12355-ZL8-000
Description
COVER, BREATHER (BREATHER VALVE ASSY.)
Serial Range
1677022 - 9999999
Qty
Price
$8.90

Ref No
5
Part Number
90013-883-000
Description
BOLT, FLANGE (6X12) (CT200)
Serial Range
1000001 - 9999999

Ref No
6
Part Number
90014-952-000
Description
BOLT, FLANGE (6X14) (CT200)
Serial Range
1000001 - 9999999
Qty
Price
$2.86

Ref No
6
Part Number
90014-952-000
Description
BOLT, FLANGE (6X14) (CT200)
Serial Range
1000001 - 9999999
Qty
Price
$2.86

Ref No
7
Part Number
91201-ZL8-003
Description
OIL SEAL (25.4X62X6)
Serial Range
1000001 - 9999999
Qty
Price
$7.86

Ref No
8
Part Number
98079-56846
Description
SPARK PLUG (BPR6ES) (NGK)
Serial Range
1000001 - 9999999
Qty
Price
$2.98

Ref No
10
Part Number
12209-ZM0-003
Description
SEAL, VALVE STEM
Serial Range
2296433 - 9999999
Qty
Price
$9.18

Ref No
11
Part Number
14711-ZL8-000
Description
VALVE, IN. (TECHNOSTAR)
Serial Range
1000001 - 9999999
Qty
Price
$65.20

Ref No
12
Part Number
14721-ZL8-000
Description
VALVE, EX. (L8E)
Serial Range
1000001 - 9999999
Qty
Price
$60.70

Ref No
13
Part Number
14751-ZL8-000
Description
SPRING, VALVE
Serial Range
1000001 - 9999999
Qty
Price
$0.50

Ref No
14
Part Number
14771-Z0T-900
Description
RETAINER, VALVE SPRING
Serial Range
1000001 - 9999999
Qty
Price
$1.20